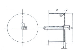
Check the main design dimensions as shown: H-200
| Icon code | Design size |
| A | 11.50 |
| B | 10.00 |
| C | 118.00 |
| D | 60.00 |
| E | 9.40 |
| F | 6.10 |
| G | |
| H | 5.80 |
| J | 1.50 |
| K | |
| L |
● Detection tool:0.02 caliper or micrometer.
● Indicate the code for inspection.
● plane does not allow a step,feel smooth and unimpeded.No obvious warping.
● no residual shape or damage,color is no different normal
● Metal-free impurities or other debris,containing metal,debris products,must be waste separation.
● no flash,burr and excess material.
● feel a strong elasticity,and not brittle.
● Selection of raw materials must meet the requirements of the EU ROHS directive,and has UL yellow card certification and fixed-point supply.
● thermal deformation temperature≥100 degrees Celsius,flame retardant UL94Vo level/0.8-3.2mm.
● other structures should meet the transformer manufacturing process as the standard.

